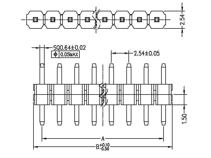
2.54MM (0,1'') PITCH PIN HEADER
SPECIFICATION
MATERIALS (Kontakte): Kupferlegierung, Gold oder Zinn (über Nickel) Ziel
MATERIALS (GEHäUSE): Standard oder Hochtemperatur-Kunststoff, bewerten UL94V-0
CURRENT: 3A pro Kontakt
Maximale SPANNUNG: 800V AC, 500 V DC
Contact WIDERSTAND: 30m& OHgr;max
INSULATION WIDERSTAND: 1,000M& OHgr;min
OPERATING TEMPERATUR:-40℃um 105℃
DURABILITY: 300 Steckungen (Gold) oder 50 Steckungen (tin)
DRAWINGS
Was'? s Pin Header
pin Header ist eine Art elektrischen Verbinder. Wir abgekürzt in der Regel als PH oder einfach Header, und den Ruf der universellen connectors.This Steckertyp haben, ist in der PCB-Leiterplatten in der Elektronik, Elektrogeräte weit verbreitet ist, und m.
Was' s, die Funktion der Stiftleiste
its Funktionist zur Funktion als Brücke zwischen blockiert oder isoliert Schaltungen? in der Leiterplatte Schaltung und verantwortlich für Strom- oder Signalübertragung.
what Header hre Stifts sind Modelle?
There gibt viele Arten von Stiftleisten, die benötigtnach den Standards in der Elektronikindustrie zu treffen unterschiedliche eingestuft werden. Gemäß den Raum, kann sie grob in 2,54 mm unterteilt werden (0,1 Zoll), 2,0 mm (0,079 in), 1,27 mm (0,05 Zoll), 1,0 mm (0,04 Zoll), 0,8 mm (0,03 in). Der Abstand zwischen den Stiften wird allgemein als Abstand in der elektronischen Gemeinschaft bezeichnet. Entsprechend der Anzahl der Zeilen gibt es einreihig, zweireihig, drei Reihen usw. entsprechend der Paket-Nutzung, gibt es Patches SMT (surface-mount Technologie Version) und Stecker-in DIP (pin Durchgangsloch-Geräte), unter ihnen, SMT Stiftleisten können in horizontale und vertikale Stiftleiste Stiftleiste unterteilt werden, und DIP-Typen können in gerade Einsetzstift Headers und Biege Einsetzstift Header unterteilt werden. Abgesehen davon, wir es in drei Typen entsprechend ihrer Einbauverfahren unterteilt, 180 ° Installation wird durch"S dargestellt", 90 ° Installation durch"W dargestellt wird", und SMT-Montage wird durch"T dargestellt".
Was' s der Einsatzbereich von Pin-Header
Application Bereich: Datenverarbeitungsgeräte, Computer Programm, Steuergeräte, elektronische Messgeräte, Anlagen fuer automatische Steuerung, Automatisierungstechnik, Kommunikationsausrüstung, usw.

Name: Haimei Liang
Berufsbezeichnung: sales manager
Abteilung: Sales Department
Firma Telefon: +86 0769 83450370
E-Mail: Kontaktiere uns
Mobiltelefon: +86 18929181819
Webseite: dgwin.b2bde.com
Adresse: No.67,Dongshen Road,Qiaotou Town,Dongguan City,China