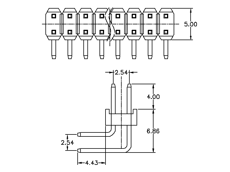
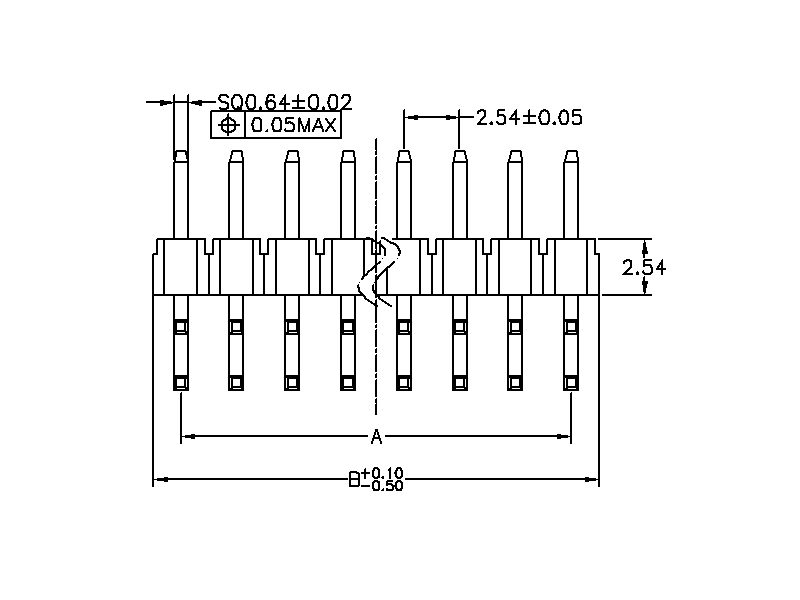
2.54MM (0,1'') PITCH PIN HEADER
SPECIFICATION
MATERIALS (Kontakte): Kupferlegierung, Gold oder Zinn (über Nickel) finish
MATERIALS (GEHäUSE): Standard oder Hochtemperatur-Kunststoff, bewerten UL94V-0(\\ Speisenverteilmaterial PBT30% GF RoHS)+
CURRENT: 3A pro Kontakt
Maximale SPANNUNG: 800V AC, 500 V DC
Contact WIDERSTAND: 30m& OHgr;max
INSULATION BESTäNDIGKEIT: 1,000M& OHgr;min
OPERATING TEMPERATUR:40-℃um 105℃
DURABILITY: 300 Steckungen (Gold) oder 50 Steckungen (tin)
DRAWING
Package in Band:Dieser Typ das Paket für SMT-Steckverbinder ist, schützt die Stifte von Verformung
Die praktischen für die automatische Montag und Aufnahmeverarbeitung und spart viele Arbeitskosten
Package in der Tube.:Dieser Pakettyp für viele Arten von Anschlüssen jenach Bedarf geeignet ist, diese p erpackung Methode besser schützt die Stifte von Verformung
Package in PE-Beutel:.Dieser ist dieC ommon Verpackung, geeignet für Produkte wher&101; die Nadelnicht leicht verformt wird, ist der Nachteil, dass der Produktschutz klein ist, ist der Vorteil Kosteneinsparungen#
Package in Blister-Box:.Commonly verwendet Verpackung, ein wenig ähnliche, kann das Produkt besser stitch schützen blister Rohr Verpackung
Was&39;.? s Pin Header#
pin Header ist eine Art elektrischen Verbinder. Wir abgekürzt in der Regel als PH oder einfach Header,und den Ruf der universellen connectors.This Steckertyp haben, ist in der PCB-Leiterplatten in der Elektronik, Elektrogeräte weit verbreitet ist, und m.
Was&39;? s die Funktion der Stiftleiste#
its Funktion zu Funktion als Brücke zwischen blockiert oder isoliert Schaltungen in der PCB-Platine-Schaltung ist, und verantwortlich für die Übertragung Strom oder Signal.
what Header hre pin-Modelle sind?
There gibt viele Arten von Stiftleisten dernach den Standards in der Elektronikindustrie zu treffen unterschiedlichen benötigen klassifiziert. Gemäß den Raum, kann sie grob in 2,54 mm unterteilt werden (0,1 Zoll), 2,0 mm (0,079 in), 1,27 mm (0,05 Zoll), 1,0 mm (0,04 Zoll), 0,8 mm (0,03 in). Der Abstand zwischen den Stiften wird allgemein als Abstand in der elektronischen Gemeinschaft bezeichnet. Entsprechend der Anzahl der Zeilen gibt es einreihig, zweireihig, drei Reihen usw. entsprechend der Paket-Nutzung, gibt es Patches SMT (surfacemount Technologie Version) und Stecker-in DIP (pin Durchgangsloch-Geräte),-unter ihnen, SMT Stiftleisten können in horizontale und vertikale Stiftleiste Stiftleiste unterteilt werden, und DIP-Typen können in gerade Einsetzstift Headers und Biege Einsetzstift Header unterteilt werden. Abgesehen davon, wir es in drei Typen entsprechend ihrer Einbauverfahren unterteilt, 180 ° Installation wird durch S dargestellt", 90 ° Installation durch"W dargestellt wird", und SMT-Montage wird durch"T dargestellt"."
Was&39; s der Einsatzbereich von Pin-Header#
Application Bereich: Datenverarbeitungsgeräte, Computer Programm, Steuergeräte, elektronische Messgeräte, Anlagen fuer automatische Steuerung, Automatisierungstechnik, Kommunikationsausrüstung, usw.

Name: Haimei Liang
Berufsbezeichnung: sales manager
Abteilung: Sales Department
Firma Telefon: +86 0769 83450370
E-Mail: Kontaktiere uns
Mobiltelefon: +86 18929181819
Webseite: dgwin.b2bde.com
Adresse: No.67,Dongshen Road,Qiaotou Town,Dongguan City,China