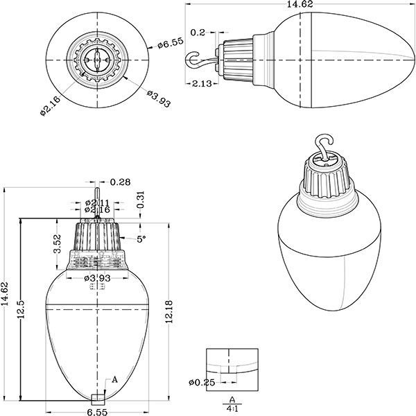
ach light ist 14,5"groß und 6,55"breit. They sind schlank und langlebig. Jedes Licht besteht aus 1 0,6W-LED und buchstäblich Hunderte können mit derselben Schaltung miteinander verbunden werden. Jede Birne setzt 14 Lumen aus.

Name: Susan
Berufsbezeichnung: Sales manager
Abteilung: sales
Firma Telefon: +8613392567783
E-Mail: Kontaktiere uns
Mobiltelefon: +8613392567783
Webseite: cohesion.b2bde.com
Adresse: Room 101, No.65 Shichong Avenue Shipai Town, Dongguan City, Guangdong Province