2.54MM (0,1'') PITCH PIN HEADER
SPECIFICATION
MATERIALS (Kontakte): Kupferlegierung, Gold oder Zinn (über Nickel) finish
MATERIALS (GEHäUSE): Standard oder Hochtemperatur-Kunststoff , bewertet UL94V-0
CURRENT: 3A pro Kontakt
Maximale SPANNUNG: 800V AC, 500 V DC
Contact WIDERSTAND: 30mΩ max
INSULATION BESTäNDIGKEIT: 1,000MΩ min
OPERATING TEMPERATUR:-40 ℃ bis 105 ℃
DURABILITY: 300 Steckungen (Gold) oder 50 Steckungen (tin)
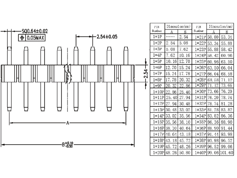
DRAWING
Customize die Abmessung entsprechend die folgenden Zeichnungen.Contact Sie uns an für weitere Informationen.
Supply verschiedene SPEC. Pin Header/Buchsenleisten Serie unterschiedliche Bedürfnisse der Kunden
Was' gerecht zu werden; s Pin Header?
pin-Header ist eine Art elektrischer Anschluss. Wir haben esnormalerweise als pH-Wert oder einfacher Header abgekürzt, AND haben den Ruf von Universal-Anschlüssen. Diese Art des Verbinders wird in den PCB-Leiterplatten in Elektronik, elektrischen Geräten und Metern weit verbreitet.
Was'? s. die Funktion der Pin-Header
its Funktion zu Funktion als Brücke zwischen blockiert oder isoliert Schaltungen in der PCB-Platine-Schaltung ist, und verantwortlich für die Strom- oder Signalübertragung
What Header hre Pin-Modelle sind?
Es gibt viele Arten von Stiftleisten, die klassifiziert sindnach den Standards in der Elektronikindustrie unterschiedliche benötigen gerecht zu werden. Nach dem Raum kann es in etwa aufgeteilt werden, in 2,54 mm (0,1 Zoll), 2,0 mm (0,079 in), 1,27 mm (0,05 Zoll), 1,0 mm (0,04 Zoll), 0,8 mm (0,03 in), aufgeteilt werden. Der Abstand zwischen den Pins wird allgemein als Tonhöhe in der elektronischen Gemeinschaft bezeichnet. Gemäß der Anzahl der Zeilen gibt es einzelne Zeile, doppelte Reihen, drei Reihen usw. gemäß der Verpackungsnutzung, es gibt Patches SMT (Surface-Mount Technology-Version) und Plug-in DIP (Pin-Durchgangs-Lochgeräte), Unter ihnen können SMT-Pin-Header in horizontalem Pin-Header und vertikalem Pin-Header unterteilt werden, und DIP-Typen können in gerade Insertion-Pin-Header und Biegeeinführungsstift-Header unterteilt werden. Abgesehen davon, wir es in drei Typen entsprechend ihrer Einbauverfahren unterteilt, 180 ° Installation wird durch"S dargestellt", 90 ° Installation durch"W dargestellt wird", und SMT-Montage wird durch"T dargestellt".
Was' s der Einsatzbereich von Pin-Header
Application Bereich: Datenverarbeitungsgeräte, Computer, Programm-Regelgeräte, elektronische Messgeräte , Automatische Steuergeräte, Automatisierungsgeräte, Kommunikationsgeräte usw.

Name: Haimei Liang
Berufsbezeichnung: sales manager
Abteilung: Sales Department
Firma Telefon: +86 0769 83450370
E-Mail: Kontaktiere uns
Mobiltelefon: +86 18929181819
Webseite: dgwin.b2bde.com
Adresse: No.67,Dongshen Road,Qiaotou Town,Dongguan City,China